Bosch FPP-5000-TI Trouble Interface for FPP-5000: инструкция
Раздел: Безопасность
Тип:
Инструкция к Bosch FPP-5000-TI Trouble Interface for FPP-5000

FPP-5000-TI
F.01U.073.324
cs Instalacní prírucka
it Guida di installazione
da Installationsvejledning
nl Installatiehandleiding
de Installationsanleitung
pl Instrukcja instalacyjna
el Oδηγϊες σuvαρμολόγησης
pt Guia de Instalação
en Installation guide
ro Ghid de instalare
es Guía de instalación
ru Руководство по устaновкe
fr Manuel d’installation
sl Navodila za namestitev
hr Upute za instalaciju
sv Installationshandledning
hu Telepítési útmutató
tr Kurulum Klavuzu


FPP-5000-TI | 3
Bosch Sicherheitssysteme GmbH F.01U.081.396 | 3.0 | 2009.07
FPP-5000
FPP-5000-TI

4 FPP-5000-TI
1.
2.
1.
F.01U.081.396 | 3.0 | 2009.07 Bosch Sicherheitssysteme GmbH

FPP-5000-TI | 5
Bosch Sicherheitssysteme GmbH F.01U.081.396 | 3.0 | 2009.07
BCM 0000 B
LSN
LSN
LSN1
AUX2
AUX1
LSN2
+ - + -
18
24V 24V
1
2
ACL
ACN
DC+
DC-
FAULT
RTH+
RTH-
MAIN POWER
MAIN POWER
TROUBLE
BATTERY 1
BCM-0000-B
UPS 2416 A
TROUBLE
FPP-5000-TI
BATTERY 2
TROUBLE
MAIN BAT1 BAT2 FAULT
AC
BAT
Σ
24 V
+ - + - + - - - - +
FAULT
F
L1 G N
F
L1
G
N
/
°C°F

6 FPP-5000-TI
F.01U.081.396 | 3.0 | 2009.07 Bosch Sicherheitssysteme GmbH
BZ 500 LSN
UEZ 2000 LSN
FPA--5000
UGM 2020
0
n
--
(LSN improved)
1 -- 254
n
--
(LSN improved)
255
n
n
CL = LSN classic
ON = 1
OFF = 0
= LSN improved0 =0+0+0+0+0+0+0+0
ON = 1
ON = 1
OFF = 0
OFF = 0
1+0+0+0+0+0+0+0
1=
0+2+4+8+16+32+64+128
= 254
= LSN1--254
ON = 1
OFF = 0
1 2 4 8 16 32 64 128+ + + + + + + = 255 =CL
= LSN classic

FPP-5000-TI | 7
Bosch Sicherheitssysteme GmbH F.01U.081.396 | 3.0 | 2009.07
ON
ON ON
1
1
1
0
0
0
A 1 2 3 4 5 6 7 8
A 1 2 3 4 5 6 7 8
A 1 2 3 4 5 6 7 8
CL=255 11111111
42 01010100
84 00101010
1 10000000
43 11010100
85 10101010
2 01000000
44 00110100
86 01101010
3 11000000
45 10110100
87 11101010
4 00100000
46 01110100
88 00011010
5 10100000
47 11110100
89 10011010
6 01100000
48 00001100
90 01011010
7 11100000
49 10001100
91 11011010
8 00010000
50 01001100
92 00111010
9 10010000
51 11001100
93 10111010
10 01010000
52 00101100
94 01111010
11 11010000
53 10101100
95 11111010
12 00110000
54 01101100
96 00000110
13 10110000
55 11101100
97 10000110
14 01110000
56 00011100
98 01000110
15 11110000
57 10011100
99 11000110
16 00001000
58 01011100
100 00100110
17 10001000
59 11011100
101 10100110
18 01001000
60 00111100
102 01100110
19 11001000
61 10111100
103 11100110
20 00101000
62 01111100
104 00010110
21 10101000
63 11111100
105 10010110
22 01101000
64 00000010
106 01010110
23 11101000
65 10000010
107 11010110
24 00011000
66 01000010
108 00110110
25 10011000
67 11000010
109 10110110
26 01011000
68 00100010
110 01110110
27 11011000
69 10100010
111 11110110
28 00111000
70 01100010
112 00001110
29 10111000
71 11100010
113 10001110
30 01111000
72 00010010
114 01001110
31 11111000
73 10010010
115 11001110
32 00000100
74 01010010
116 00101110
33 10000100
75 11010010
117 10101110
34 01000100
76 00110010
118 01101110
35 11000100
77 10110010
119 11101110
36 00100100
78 01110010
120 00011110
37 10100100
79 11110010
121 10011110
38 01100100
80 00001010
122 01011110
39 11100100
81 10001010
123 11011110
40 00010100
82 01001010
124 00111110
41 10010100
83 11001010
125 10111110

8 FPP-5000-TI
ON
ON
ON
1
1
1
0
0
0
A 1 2 3 4 5 6 7 8
A 1 2 3 4 5 6 7 8
A 1 2 3 4 5 6 7 8
126 01111110
174 01110101
216 00011011
127 11111110
175 11110101
217 10011011
128 00000001
176 00001101
218 01011011
129 10000001
177 10001101
219 11011011
130 01000001
178 01001101
220 00111011
131 11000001
179 11001101
221 10111011
132 00100001
180 00101101
222 01111011
133 10100001
181 10101101
223 11111011
134 01100001
182 01101101
224 00000111
135 11100001
183 11101101
225 10000111
136 00010001
184 00011101
226 01000111
137 10010001
185 10011101
227 11000111
138 01010001
186 01011101
228 00100111
139 11010001
187 11011101
229 10100111
140 00110001
188 00111101
230 01100111
141 10110001
189 10111101
231 11100111
142 01110001
190 01111101
232 00010111
143 11110001
191 11111101
233 10010111
144 00001001
192 00000011
234 01010111
145 10001001
193 10000011
235 11010111
146 01001001
194 01000011
236 00110111
147 11001001
195 11000011
237 10110111
148 00101001
196 00100011
238 01110111
149 10101001
197 10100011
239 11110111
150 01101001
198 01100011
240 00001111
151 11101001
199 11100011
241 10001111
152 00011001
200 00010011
242 01001111
153 10011001
201 10010011
243 11001111
160 00000101
202 01010011
244 00101111
161 01000101
203 11010011
245 10101111
162 01000101
204 00110011
246 01101111
163 11000101
205 10110011
247 11101111
164 00100101
206 01110011
248 00011111
165 10100101
207 11110011
249 10011111
166 01100101
208 00001011
250 01011111
167 11100101
209 10001011
251 11011111
168 00010101
210 01001011
252 00111111
169 10010101
211 11001011
253 10111111
170 01010101
212 00101011
254 01111111
171 11010101
213 10101011
255=CL 11111111
172 00110101
214 01101011
173 10110101
215 11101011
F.01U.081.396 | 3.0 | 2009.07 Bosch Sicherheitssysteme GmbH

FPP-5000-TI cs 9
Popis funkcí
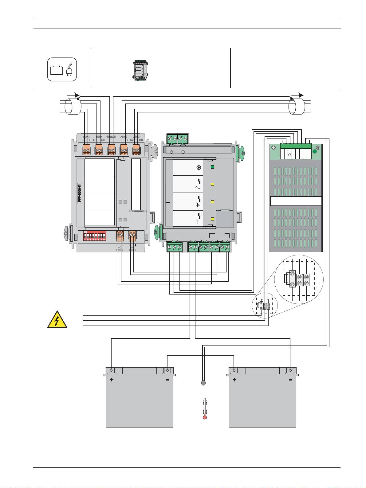
Člen FPP-5000-TI představuje rozšíření Sady externího napájecího zdroje FPP-5000 24 V/6 A.
Umožňuje přenos chybových zpráv signálu poruchy napájení a signálu poruchy akumulátoru do
ústředny EPS prostřednictvím místní zabezpečovací sítě LSN. Tyto dvě chybové zprávy jsou
zajišťovány pomocí příslušných výstupů Řídicí jednotky akumulátorů BCM-0000-B. Tato
jednotka je připojena přímo k datové sběrnici LSN a je také napájena z linek datové sběrnice
LSN.
Přiřazení vývodů
Č. Označení Připojení
1 AUX1 - Přívod pomocného napájení (podpěrné
1234
5678910
body pro průchozí zapojení)
2AUX1 +
3 LSN1 a1 - LSN příchozí
4LSN1 b1 +
5 SHIELD Stíněný vodič
6 SHIELD
7 AUX2 - Vývod pomocného napájení (podpěrné
body pro průchozí zapojení)
8AUX2 +
9 LSN1 a2 - LSN odchozí
10 LSN1 b2 +
11 AC FAULT - Vstup poruchy napájení
12 AC FAULT +
13 BATT FAULT - Vstup poruchy akumulátoru
14 BATT FAULT +
11
12 13 14
Technické specifikace
FPP-5000-TI Vazební člen pro signalizaci poruch pro sadu FPP-5000
Vstupní napětí (min - max) +15 V DC až +33 V DC
Maximální odběr proudu 1,15 mA při 24 V DC (ze sítě LSN)
Třída krytí podle IEC 60529 IP 20
Přípustná provozní teplota -5 °C až 50 °C
Přípustná skladovací teplota -20 °C až 60 °C
Relativní vlhkost Max. 95 % nekondenzující
Nastavení adresy Prostřednictvím osmi dvoupolohových mikropřepínačů
Materiál a barva krytu Plast ABS, (UL94 V-0), pololesklá antracitová, RAL 7016
Rozměry (Š × V × D) Přibližně 127 × 96 × 60 mm
Bosch Sicherheitssysteme GmbH F.01U.081.396 | 3.0 | 2009.07

10 da FPP-5000-TI
Funktionsbeskrivelse
FPP-5000-TI er en udvidelse til FPP-5000 ekstern strømforsyningsenhedssæt 24 V/6 A.
Den sørger for fejlmeddelelsesoverførslen af fejlsignalet fra 230 V-tilslutningen og batteriet til
brandcentralen via det lokale sikkerhedsnetværk LSN. De to fejlmeddelelser fås fra de
tilsvarende udgange på BCM-0000-B batteri-kontrollermodul Modulet er direkte tilsluttet til
LSN-databussen og får også tilført strøm via LSN-databuslinjen.
Terminaltildeling
Pos. Opmærkning Tilslutning
1 AUX1 - Ekstra strømforsyning indgående
(støttepunkter at loope igennem)
2AUX1 +
3 LSN1 a1 - LSN indgående
4LSN1 b1 +
5 SHIELD Skærmet kabel
6 SHIELD
7 AUX2 - Ekstra strømforsyning udgående
(støttepunkter at loope igennem)
8AUX2 +
9 LSN1 a2 - LSN udgående
10 LSN1 b2 +
11 AC FAULT - Lysnetfejl indgang
12 AC FAULT +
13 BATT FAULT - Batterifejl indgang
14 BATT FAULT +
Tekniske specifikationer
FPP-5000-TI fejlinterface til FPP-5000
Indgangsspænding (min - max) +15 V DC . . +33 V DC
Maks. strømforbrug 1,15 mA ved 24 V DC (fra LSN)
Beskyttelseskategori ifølge IEC 60529 IP 20
Tilladte driftstemp. -5 °C . . . 50 °C (23 °F . . . 122 °F)
Tilladte opbevaringstemp. -20 °C . . . 60 °C (-4 °F . . . 140 °F)
Relativ fugtighed Maks. 95 % ikke-kondenserende
Adresseindstilling Via otte DIP-switches
Kabinetmateriale og -farve ABS-plast, (UL94 V-0), halvglans antracit, RAL 7016
Dimensioner (B x H x L) Ca. 127 x 96 x 60 mm (ca. 5,0 x 3,8 x 2,4")
F.01U.081.396 | 3.0 | 2009.07 Bosch Sicherheitssysteme GmbH
1234
5678910
11
12 13 14

FPP-5000-TI de 11
Funktionsbeschreibung
Das FPP-5000-TI wird im FPP-5000 Bausatz externes Netzteil 24 V/6 A eingesetzt. Es dient zur
Weiterleitung der Störungsanzeigen "Batteriestörung" und "Netzstörung" an die
Brandmeldezentrale über das Lokale SicherheitsNetzwerk LSN. Die beiden Störungssignale
werden von den entsprechenden Ausgängen am BCM-0000-B Batterieregler-Modul
abgegriffen. Das FPP-5000-TI wird direkt an die Busleitung des LSN angeschaltet und über die
Busleitung mit Spannung versorgt.
Klemmenbelegung
Pos. Markierung Anschluss
1 AUX1 - Zusatzspannungsversorgung kommend
(Stützpunkte zum Durchschleifen)
2AUX1 +
3 LSN1 a1 - LSN kommend
4LSN1 b1 +
5 SHIELD Schirmbeidraht
6 SHIELD
7 AUX2 - Zusatzspannungsversorgung gehend
(Stützpunkte zum Durchschleifen)
8AUX2 +
9 LSN1 a2 - LSN gehend
10 LSN1 b2 +
11 AC FAULT - Eingang Netzstörung
12 AC FAULT +
13 BATT FAULT - Eingang Batteriestörung
14 BATT FAULT +
Technische Daten
FPP-5000-TI Modul zur Störungsweiterleitung für FPP-5000
Eingangsspannung (min - max) +15 V DC . . . +33 V DC
Maximale Stromaufnahme 1,15 mA bei 24 V DC (aus dem LSN)
Schutzklasse IEC 60529 IP 20
Zulässige Betriebstemperatur -5 °C . . . 50 °C
Zulässige Lagertemperatur -20 °C . . . 60 °C
Zulässige relative Feuchte Max. 95 % nicht kondensierend
Adressierung Über acht DIP-Schalter
Gehäusematerial und Farbe ABS Kunststoff, (UL94 V-0), seidenmatt anthrazit,
RAL 7016
Abmessungen (H x B x T) ca. 127 x 96 x 60 mm
Bosch Sicherheitssysteme GmbH F.01U.081.396 | 3.0 | 2009.07
1234
5678910
11
12 13 14

12 el FPP-5000-TI
Περιγραφή λειτουργίας
Το FPP-5000-TI είναι μια επέκταση για το κιτ μονάδας εξωτερικού τροφοδοτικού
FPP-5000 24 V/6 A. Παρέχει τη μετάδοση μηνύματος προβλήματος του σήματος σφάλματος
κύριας ισχύος και του σήματος σφάλματος μπαταρίας στον πίνακα πυροπροστασίας μέσω του
τοπικού δικτύου ασφαλείας (Local SecurityNetwork, LSN). Τα δύο μηνύματα σφάλματος
παρέχονται από τις αντίστοιχες εξόδους στο δομοστοιχείο ελεγκτή μπαταρίας BCM-0000-B. Το
δομοστοιχείο συνδέεται απευθείας στο δίαυλο δεδομένων LSN και επίσης τροφοδοτείται με
ρεύμα μέσω της γραμμής διαύλου δεδομένων LSN.
Εκχώρηση τερματικών
Θέση Επισήμανση Σύνδεση
1 AUX1 - Βοηθητικό τροφοδοτικό εισερχόμενο
1234
5678910
(σημεία στήριξης για βρόχο διέλευσης)
2AUX1 +
3 LSN1 a1 - LSN εισερχόμενο
4LSN1 b1 +
5 SHIELD Καλώδιο θωράκισης
6 SHIELD
7 AUX2 - Βοηθητικό τροφοδοτικό εξερχόμενο
(σημεία στήριξης για βρόχο διέλευσης)
8AUX2 +
9 LSN1 a2 - LSN εξερχόμενο
10 LSN1 b2 +
11 AC FAULT - Είσοδος σφάλματος κύριας ισχύος
12 AC FAULT +
13 BATT FAULT - Είσοδος σφάλματος μπαταρίας
14 BATT FAULT +
11
12 13 14
Τεχνικές προδιαγραφές
FPP-5000-TI Διασύνδεση μετάδοσης προβλήματος για το FPP-5000
Τάση εισόδου (ελάχ. - μέγ.) +15 V DC . . +33 V DC
Μέγιστη κατανάλωση ρεύματος 1,15 mA στα 24 V DC (από LSN)
Τύπος προστασίας σύμφωνα με IEC
IP 20
60529
Επιτρεπτή θερμοκρασία λειτουργίας -5 °C . . . 50 °C (23 °F . . . 122 °F)
Επιτρεπτή θερμοκρασία αποθήκευσης -20 °C . . . 60 °C (-4 °F . . . 140 °F)
Σχετική υγρασία Μέγ. 95 % χωρίς συμπύκνωση υδρατμών
Ρύθμιση διεύθυνσης Μέσω οκτώ μικροδιακοπτών (DIP)
Υλικά επένδυσης και χρώματα Πλαστικό ABS, (UL94 V-0), ημι-γυαλιστερό ανθρακί,
RAL 7016
Διαστάσεις (Π x Υ x Μ) Περίπου 127 x 96 x 60 mm
(περίπου 5,0 x 3,8 x 2,4 ίντσες)
F.01U.081.396 | 3.0 | 2009.07 Bosch Sicherheitssysteme GmbH

FPP-5000-TI en 13
Functional Description
The FPP-5000-TI is an extension for the FPP-5000 External Power Supply Unit Kit 24 V/6 A.
It provides the fault message transfer of the mains fault signal and the battery fault signal to
the fire panel via the Local SecurityNetwork LSN. The two fault messages are provided by the
corresponding outputs at the BCM-0000-B Battery Controller Module. The FPP-5000-TI is
directly connected to the LSN data bus and is also power supplied via the LSN data bus line.
Terminal Assignment
Pos. Labelling Connection
1 AUX1 - Auxiliary power supply incoming
(support points to loop through)
2AUX1 +
3 LSN1 a1 - LSN incoming
4LSN1 b1 +
5SHIELD Shield wire
6 SHIELD
7 AUX2 - Auxiliary power supply outgoing
(support points to loop through)
8AUX2 +
9 LSN1 a2 - LSN outgoing
10 LSN1 b2 +
11 AC FAULT - Mains fault input
12 AC FAULT +
13 BATT FAULT - Battery fault input
14 BATT FAULT +
Technical Specifications
FPP-5000-TI Trouble Interface for FPP-5000
Input voltage (min - max) +15 V DC. . . +33 V DC
Maximum current consumption 1.15 mA at 24 V DC (from LSN)
Protection type as per IEC 60529 IP 20
Permissible operating temp. -5 °C . . . 50 °C (23 °F . . . 122 °F)
Permissible storage temp. -20 °C . . . 60 °C (-4 °F . . . 140 °F)
Relative humidity Max. 95 % non-condensing
Address setting Via eight DIP switches
Housing material and color ABS plastic, (UL94 V-0), semi-gloss anthracite, RAL 7016
Dimensions (W x H x L) Approx. 127 x 96 x 60 mm (approx. 5.0 x 3.8 x 2.4 inches)
Bosch Sicherheitssysteme GmbH F.01U.081.396 | 3.0 | 2009.07
1234
5678910
11
12 13 14

14 es FPP-5000-TI
Descripción funcional
El FPP-5000-TI es una extensión para la Fuente de Alimentación Externa de 24 V/6 A
FPP-5000. Permite transmitir el mensaje de avería de alimentación y de avería de batería a la
central de incendios directamente a través del lazo LSN. Las correspondientes salidas
suministran los dos mensajes de avería en el Módulo Controlador de Batería BCM-0000-B. El
módulo se encuentra conectado directamente con el bus de datos LSN y se alimenta
automáticamente a través de este.
Asignación de terminales
Pos. Etiquetado Conexión
1 AUX1 - Alimentación auxiliar entrante
1234
5678910
(permite la conexión en lazo)
2AUX1 +
3 LSN1 a1 - LSN entrante
4LSN1 b1 +
5 SHIELD Cable apantallado
6 SHIELD
7 AUX2 - Alimentación auxiliar saliente (permite
la conexión en lazo)
8AUX2 +
9 LSN1 a2 - LSN saliente
10 LSN1 b2 +
11 AC FAULT - Fallo de entrada de alimentación
12 AC FAULT +
13 BATT FAULT - Fallo de entrada de batería
14 BATT FAULT +
11
12 13 14
Especificaciones técnicas
Módulo de Avería FPP-5000-TI para FPP-5000
Tensión de entrada (min. - máx.) +15 V CC. . . +33 V CC
Consumo máximo de corriente 1,15 mA a 24 V CC (desde LSN)
Tipo de protección según IEC 60529 IP 20
Temperatura de funcionamiento
-5 °C . . . 50 °C (23 °F . . . 122 °F)
permitida
Temperatura de almacenamiento
-20 °C . . . 60 °C (-4 °F . . . 140 °F)
permitida
Humedad relativa Máx. 95% sin condensación
Ajuste de direcciones Mediante ocho conmutadores DIP
Material y color de la carcasa Plástico ABS, (UL94 V-0), antracita semibrillante,
RAL 7016
Dimensiones (An. x Al. x Long.) Aprox. 127 x 96 x 60 mm
(aprox. 5,0 x 3,8 x 2,4 pulgadas)
F.01U.081.396 | 3.0 | 2009.07 Bosch Sicherheitssysteme GmbH

FPP-5000-TI fr 15
Description fonctionnelle
Le module FPP-5000-TI est une extension du kit bloc d'alimentation externe
FPP-5000 24 V/6 A. Il assure le transfert des messages de défaillance de l'alimentation secteur
et de l'alimentation par batterie à la centrale incendie via le réseau local de sécurité (LSN).
Les deux messages de défaillance sont générés par les sorties correspondantes du module de
commande de batterie BCM-0000-B. Le module est connecté directement au bus de données
LSN et alimenté par son alimentation.
Affectation des bornes
N° Étiquetage Connexion
1 AUX1 - Alimentation auxiliaire entrante (prise
1234
5678910
en charge des points et mise en boucle)
2AUX1 +
3 LSN1 a1 - LSN entrant
4LSN1 b1 +
5 SHIELD Câble blindé
6 SHIELD
7 AUX2 - Alimentation auxiliaire sortante (prise
en charge des points et mise en boucle)
8AUX2 +
9 LSN1 a2 - LSN sortant
10 LSN1 b2 +
11 AC FAULT - Entrée défaillance secteur
12 AC FAULT +
13 BATT FAULT - Entrée défaillance batterie
14 BATT FAULT +
11
12 13 14
Spécifications techniques
Interface de défaillance FPP-5000-TI pour FPP-5000
Tension d'entrée (min. - max.) +15 V c.c. . . +33 V c.c.
Consommation de courant maximale 1,15 mA à 24 V c.c. (depuis LSN)
Type de protection suivant IEC 60529 IP 20
Température de fonctionnement
-5 °C. . . 50 °C
admissible
Température de stockage admissible -20 °C . . 60 °C
Humidité relative 95 % max. sans condensation
Paramétrage de l'adressage Par huit commutateurs DIP
Matière et couleur du boîtier Plastique ABS (UL94 V-0), anthracite semi-brillant,
RAL 7016
Dimensions (lxHxL) env. 127x96x60mm
Bosch Sicherheitssysteme GmbH F.01U.081.396 | 3.0 | 2009.07

16 hr FPP-5000-TI
Opis funkcija
FPP-5000-TI je dodatak FPP-5000 priboru vanjske jedinice napajanja 24 V/6 A.
Omogućuje prijenos poruka o pogrešci tj. signala o smetnjama u mrežnom napajanju i signala
o kvaru baterije na upravljačkoj ploči vatrodojavnog sustava putem lokalne sigurnosne mreže
tj. LSN-a. Ove dvije poruke o pogreškama šalju odgovarajući izlazi na BCM-0000-B modulu
kontrolera baterije. Modul je izravno spojen na LSN sabirnicu podataka i napaja se pomoću
LSN voda sabirnice podataka.
Dodjela priključaka
Pol. Oznaka Priključak
1 AUX1 - Pomoćni ulazni izvor napajanja (napaja
1234
5678910
elemente kroz petlju)
2AUX1 +
3 LSN1 a1 - LSN ulazni
4LSN1 b1 +
5 SHIELD Zaštita kabela
6 SHIELD
7 AUX2 - Pomoćni izlazni izvor napajanja
(napaja elemente kroz petlju)
8AUX2 +
9 LSN1 a2 - LSN izlazni
10 LSN1 b2 +
11 AC FAULT - Ulaz smetnje u mrežnom napajanju
12 AC FAULT +
13 BATT FAULT - Ulaz kvara baterije
14 BATT FAULT +
11
12 13 14
Tehničke specifikacije
FPP-5000-TI sučelje smetnji za FPP-5000
Ulazni napon (min - maks.) +15 V DC. . . +33 V DC
Maksimalna potrošnja struje 1,15 mA pri 24 V DC (iz LSN-a)
Vrsta zaštite prema IEC 60529 IP 20
Dopuštena radna temperatura -5 °C . . . 50 °C (23 °F . . . 122 °F)
Dopuštena temperatura za skladištenje -20 °C . . . 60 °C (4 °F. . . 140 °F)
Relativna vlažnost Maksimalno 95 %, bez kondenzacije
Podešavanje adrese pomoću osam (8) DIP sklopki
Materijal i boja kućišta ABS plastika, (UL94 V-0), polusjajni antracit,
RAL 7016
Dimenzije (Š x V x D) približno 127 x 96 x 60 mm
(približno 5,0 x 3,8 x 2,4 inča)
F.01U.081.396 | 3.0 | 2009.07 Bosch Sicherheitssysteme GmbH

FPP-5000-TI hu 17
A működés ismertetése
Az FPP-5000-TI eszköz az FPP-5000 jelű (24 V/6 A) külső tápegységkészlet bővítménye.
Hibaüzeneteket továbbít a hálózathiba-jelekről és az akkumulátorhiba-jelekről a tűzjelző
központba, a Local SecurityNetwork (LSN) hálózaton keresztül. A két hibaüzenet a
BCM-0000-B akkumulátor-vezérlő modul megfelelő kimeneteiről érkezik. A modul közvetlenül
csatlakozik az LSN-adatbuszra, és tápellátását is az LSN-adatbusz vezetékéről nyeri.
Csatlakozókiosztás
Elhel
jelölése Csatlakozások
yezk
edés
1 AUX1 - Bejövő kiegészítő tápellátás (csatlakozási
1234
5678910
pontok hurkolt tápellátáshoz)
2AUX1 +
3LSN1 a1 -Bejövő LSN
4LSN1 b1 +
5 SHIELD Árnyékolt vezeték
6 SHIELD
7 AUX2 - Kimenő kiegészítő tápellátás
(csatlakozási pontok hurkolt
8AUX2 +
tápellátáshoz)
9 LSN1 a2 - Kimenő LSN
10 LSN1 b2 +
11 AC FAULT - Hálózatihiba bemenet
12 AC FAULT +
13 BATT FAULT - Akkumulátorhiba bemenet
11
12 13 14
14 BATT FAULT +
Műszaki specifikációk
FPP-5000-TI hibacsatoló az FPP-5000 eszközhöz
Bemenő feszültség (min - max) +15 V DC. . . +33 V DC
Maximális áramfelvétel 1,15 mA 24 V DC-nél (LSN-ről)
Védelmi besorolás az IEC
IP 20
60529 szabvány szerint
Megengedett működési
-5 °C. . . 50 °C .
hőmérséklet
Megengedett tárolási
-20 °C. . . 60 °C .
hőmérséklet
Relatív páratartalom Max. 95%, lecsapódás nélkül
Cím beállítása Nyolc DIP-kapcsolón keresztül
Burkolat anyaga és színe ABS-műanyag, (UL94 V-0), félfényes antracit, RAL 7016
Méretek (szé x ma x mé) Kb. 127 x 96 x 60 mm
Bosch Sicherheitssysteme GmbH F.01U.081.396 | 3.0 | 2009.07

18 it FPP-5000-TI
Descrizione delle funzioni
FPP-5000-TI è un'estensione per Kit unità di alimentazione esterna FPP-5000 24 V/6 A.
Fornisce il trasferimento dei messaggi di errore relativi ai segnali di guasto alimentazione di
rete e di guasto batteria alla centrale di rivelazione incendio tramite la rete locale di sicurezza
(LSN, Local Security Network). I due messaggi di errore vengono forniti nelle uscite
corrispondenti del modulo di controllo batteria BCM-0000-B. Il modulo è direttamente
collegato al bus di dati LSN ed è alimentato tramite la relativa linea.
Assegnazione dei terminali
Pos. Etichette Collegamento
1 AUX1 - Alimentazione ausiliaria in entrata
1234
5678910
(supporta punti per il loop-through)
2AUX1 +
3 LSN1 a1 - LSN in entrata
4LSN1 b1 +
5 SHIELD Cavo schermato
6 SHIELD
7 AUX2 - Alimentazione ausiliaria in uscita
(supporta punti per il loop-through)
8AUX2 +
9 LSN1 a2 - LSN in uscita
10 LSN1 b2 +
11 AC FAULT - Ingresso guasto alimentazione di rete
12 AC FAULT +
13 BATT FAULT - Ingresso guasto batteria
14 BATT FAULT +
11
12 13 14
Specifiche tecniche
FPP-5000-TI Interfaccia guasti per l'unità FPP-5000
Tensione di ingresso (min - max) +15 VDC. . . +33 VDC
Consumo massimo di corrente 1,15 mA a 24 VDC (da LSN)
Tipo di protezione conforme a IEC 60529 IP 20
Temperatura di esercizio consentita -5 °C . 50 °C .
Temperatura di stoccaggio consentita -20 °C . 60 °C .
Umidità relativa Max 95% senza condensa
Impostazione indirizzamento Tramite otto interruttori DIP
Materiale alloggiamento e colore Plastica ABS, (UL94 V-0), antracite semilucida,
RAL 7016
Dimensioni (Largh. x Alt. x Lungh.) Circa 127 x 96 x 60 mm
F.01U.081.396 | 3.0 | 2009.07 Bosch Sicherheitssysteme GmbH

FPP-5000-TI nl 19
Functionele omschrijving
De FPP-5000-TI is een uitbreiding voor de FPP-5000 Externe Voedingskit 24 V/6 A.
Deze interfacemodule zorgt voor de overdracht van de storingsmelding van het
netspanningsstoringssignaal en het accustoringsignaal naar de brandmeldcentrale via het LSN
(Local Security Network). De twee storingsmeldingen worden geleverd via de
overeenkomstige uitgangen op de BCM-0000-B Accucontrollermodule. De module wordt
direct aangesloten op de LSN-databus en wordt tevens via de LSN-databuslijn voorzien van
spanning.
Klembezetting
Pos. Label Aansluiting
1 AUX1 - Voeding voor randapparatuur
1234
5678910
inkomend (klemmen voor doorlussen)
2AUX1 +
3 LSN1 a1 - LSN inkomend
4LSN1 b1 +
5 SHIELD Afgeschermde kabel
6 SHIELD
7 AUX2 - Voeding voor randapparatuur uitgaand
(klemmen voor doorlussen)
8AUX2 +
9 LSN1 a2 - LSN uitgaand
10 LSN1 b2 +
11 AC FAULT - Ingang netspanningsstoring
12 AC FAULT +
13 BATT FAULT - Ingang accustoring
14 BATT FAULT +
11
12 13 14
Technische specificaties
FPP-5000-TI Storingsinterface voor FPP-5000
Ingangsspanning (min - max) +15 VDC. . . +33 VDC
Maximaal stroomverbruik 1,15 mA bij 24 VDC (vanuit LSN)
Beschermingsklasse conform IEC 60529 IP 20
Toegestane bedrijfstemp. -5 °C . . . 50 °C .
Toegestane opslagtemp. -20 °C . . . 60 °C .
Relatieve vochtigheid Max. 95%, niet-condenserend
Adresinstelling Via acht DIP-schakelaars
Materiaal en kleur van de behuizing ABS-kunststof, (UL94 V-0), halfglans antraciet,
RAL 7016
Afmetingen (B x H x L) Ca. 127 x 96 x 60 mm
Bosch Sicherheitssysteme GmbH F.01U.081.396 | 3.0 | 2009.07

20 pl FPP-5000-TI
Opis działania
Moduł FPP-5000-TI jest rozszerzeniem zestawu zewnętrznego zasilacza sieciowego
24 V/6 A FPP-5000. Umożliwia on przekazywanie za pomocą lokalnej sieci bezpieczeństwa
(LSN) do centrali sygnalizacji pożaru komunikatów o usterkach sieci zasilania i usterkach
akumulatora. Przez dwa odpowiednie wyjścia modułu kontrolera akumulatorów BCM-0000-B
przesyłane są dwa komunikaty o usterkach. Moduł podłączony jest bezpośrednio do magistrali
danych LSN i jest zasilany również przez linie magistrali danych.
Przypisanie zacisków
Poz. Oznaczenie Połączenie
1 AUX1 - Połączenie wejściowe dodatkowego
zasilacza (punkty mocowań do połączeń
2AUX1 +
przelotowych)
3 LSN1 a1 - Połączenie wejściowe LSN
4LSN1 b1 +
5 SHIELD Żyła ekranująca
6 SHIELD
7 AUX2 - Połączenie wyjściowe dodatkowego
zasilacza (punkty mocowań do połączeń
8AUX2 +
przelotowych)
9 LSN1 a2 - Połączenie wyjściowe LSN
10 LSN1 b2 +
11 AC FAULT - Wejście sygnału usterki zasilania
sieciowego
12 AC FAULT +
13 BATT FAULT - Wejście sygnału usterki akumulatora
14 BATT FAULT +
Dane techniczne
Interfejs usterek FPP-5000-TI do urządzenia FPP-5000
Napięcie wejściowe (min. - maks.) +15 VDC. . . +33 VDC
Maks. pobór prądu 1,15 mA przy 24 VDC (z LSN)
Klasa ochrony zgodnie z IEC 60529 IP 20
Dopuszczalna temperatura pracy -5 °C . . . 50 °C
Dopuszczalna temperatura
-20 °C . . 60 °C
przechowywania
Wilgotność względna Maks. 95%, bez kondensacji
Ustawienia adresów Za pośrednictwem ośmiu mikroprzełączników
Materiał obudowy i kolor tworzywo ABS, (UL94 V-0), półpołysk, antracyt,
RAL 7016
Wymiary (szer. x wys. x dł.) Ok. 127 x 96 x 60 mm
F.01U.081.396 | 3.0 | 2009.07 Bosch Sicherheitssysteme GmbH
1234
5678910
11
12 13 14

FPP-5000-TI pt 21
Descrição funcional
O FPP-5000-TI é uma extensão para o Kit de Fonte de Alimentação Externa FPP-5000 de
24 V/6 A. Faz a transferência da mensagem de informação de falha do sinal de falha rede e do
sinal de falha da bateria para o painel de incêndio, através da rede de segurança local LSN. As
duas mensagens de falha são fornecidas pelas saídas correspondentes no Módulo de
Controlador da Bateria BCM-0000-B. O módulo está directamente ligado ao bus de dados da
linha LSN. A alimentação também é proveniente da linha de dados LSN.
Atribuição de terminais
Pos. Legendagem Ligação
1 AUX1 - Entrada de fonte de alimentação auxiliar
1234
5678910
(pontos de apoio para "loop through")
2AUX1 +
3 LSN1 a1 - LSN de entrada
4LSN1 b1 +
5 SHIELD Cabo blindado
6 SHIELD
7 AUX2 - Saída de fonte de alimentação auxiliar
(pontos de apoio para "loop through")
8AUX2 +
9 LSN1 a2 - LSN de saída
10 LSN1 b2 +
11 AC FAULT - Entrada de falha de rede
12 AC FAULT +
13 BATT FAULT - Entrada de falha da bateria
14 BATT FAULT +
11
12 13 14
Dados técnicos
FPP-5000-TI Interface de Falhas para FPP-5000
Tensão de entrada (mín. - máx.) +15 Vdc. . . +33 Vdc
Consumo de corrente máx. 1,15 mA a 24 Vdc (da LSN)
Tipo de protecção em conformidade
IP 20
com a norma CEI 60529
Temp. de serviço permitida -5 °C . . . 50 °C (23 °F . . . 122 °F)
Temp. de armazenamento permitida -20 °C . . . 60 °C (-4 °F . . . 140 °F)
Humidade relativa Máx. 95 %, sem condensação
Definição de endereço Através de oito interruptores DIP
Material e cor da caixa ABS plástico, (UL94 V-0), antracite semibrilhante,
RAL 7016
Dimensões (L x A x C) Aprox. 127 x 96 x 60 mm (aprox. 5,0 x 3,8 x 2,4 pol.)
Bosch Sicherheitssysteme GmbH F.01U.081.396 | 3.0 | 2009.07

22 ro FPP-5000-TI
Descrierea funcţională
FPP-5000-TI este o extensie pentru kitul unitate de alimentare externă FPP-5000 24 V/6 A.
Acesta furnizează transferul mesajului de defecţiune al semnalului de defecţiune reţea şi
semnalul de defecţiune baterie la panoul detecţie incendiu prin Reţeaua de securitate locală
(LSN). Cele două mesaje de defecţiune sunt furnizate de ieşirile corespunzătoare la Modulul
controler baterie BCM-0000-B. Modulul este conectat direct la magistrala de date LSN şi este
de asemenea alimentat electric prin linia magistralei de date LSN.
Alocare borne
Nr. Etichetare Conexiune
1 AUX1 - Sursă de alimentare auxiliară de intrare
1234
5678910
(acceptă puncte de ciclare)
2AUX1 +
3 LSN1 a1 - LSN de intrare
4LSN1 b1 +
5 SHIELD Cablu ecranat
6 SHIELD
7 AUX2 - Sursă de alimentare auxiliară de ieşire
(acceptă puncte de ciclare)
8AUX2 +
9 LSN1 a2 - LSN de ieşire
10 LSN1 b2 +
11 AC FAULT - Întrerupere alimentare de la reţea de
intrare
12 AC FAULT +
13 BATT FAULT - Întrerupere alimentare de la baterie de
intrare
14 BATT FAULT +
11
12 13 14
Specificaţii tehnice
Interfaţă problemă FPP-5000-TI pentru FPP-5000
Tensiune de intrare (min - max) +15 V CC. . . +33 V CC
Consum maxim de energie 1,15 mA la 24 V CC (de la LSN)
Tip de protecţie cf. IEC 60529 IP 20
Temp. de funcţionare permisă -5 °C. . . 50 °C (23 °F . . . 122 °F)
Temp. de depozitare permisă -20 °C . . . 60 °C (-4 °F . . . 140 °F)
Umiditate relativă Max. 95 % fără condens
Setarea adresei Prin opt comutatoare DIP
Material şi culoare carcasă Plastic ABS, (UL94 V-0), antracit semi-lucios, RAL 7016
Dimensiuni (l x Î x L) Aprox. 127 x 96 x 60 mm (aprox. 5,0 x 3,8 x 2,4 ţoli)
F.01U.081.396 | 3.0 | 2009.07 Bosch Sicherheitssysteme GmbH

FPP-5000-TI ru 23
Принцип работы
Модуль FPP-5000-TI представляет собой расширение для комплекта внешнего источника
питания FPP-5000 24 В/6 А.
Он обеспечивает передачу сигнала о неисправности питания или аккумулятора на
пожарную панель через локальную сеть безопасности LSN. Два сообщения о
неисправностях обеспечиваются соответствующими выходами модуля контроллера
батарей BCM-0000-B. Модуль подключен напрямую к адресному шлейфу LSN,
непосредственно от которого и получает электропитание.
Назначение контактов
№ Обозначение Подключение
1 AUX1 - Вход источника дополнительного питания
1234
5678910
(поддерживает точки на проходное
2AUX1 +
соединение)
3LSN1 a1 - LSN входящая
4LSN1 b1 +
5SHIELD Экран
6 SHIELD
7 AUX2 - Выход источника дополнительного
питания (поддерживает точки на
8AUX2 +
проходное соединение)
9 LSN1 a2 - LSN исходящая
10 LSN1 b2 +
11 AC FAULT - Вход неисправности питания
12 AC FAULT +
13 BATT FAULT - Вход неисправности аккумулятора
11
12 13 14
14 BATT FAULT +
Технические характеристики
FPP-5000-TI Интерфейсный модуль контроля ИП типа FPP-5000
Входное напряжение (мин - макс) от +15 В до +33 В постоянного тока
Макс. потребление тока 1,15 мА при 24 В пост. тока (от LSN)
Класс защиты по IEC 60529 IP 20
Допустимая рабочая температура от -5 °C до 50 °C
Допустимая температура хранения от -20 °C до 60 °C
Относительная влажность Макс. 95%, без конденсации
Настройка адреса При помощи восьми DIP-переключателей
Материал и цвет корпуса Пластик ABS, (UL94 V-0), полуматовый антрацит,
RAL 7016
Размеры (Ш x В x Д) Прибл. 127 x 96 x 60 мм
Bosch Sicherheitssysteme GmbH F.01U.081.396 | 3.0 | 2009.07

24 sl FPP-5000-TI
Funkcionalni opis
FPP-5000-TI je razširitev kompleta zunanje napajalne enote FPP-5000 (24 V/6 A).
Ta modul skrbi za prenos sporočil o trajni prekinitvi napajanja ali okvari akumulatorja
protipožarni nadzorni plošči prek omrežja LSN (lokalno varno omrežje). Za javljanje dveh
sporočil o napaki skrbita ustrezna izhoda modula za nadzor akumulatorja BCM-0000-B. Modul
je neposredno povezan s podatkovnim vodilom omrežja LSN, napajanje pa poteka prek voda
podatkovnega vodila omrežja LSN.
Dodelitve terminalov
Pol. Oznake Povezava
1 AUX1 - Vhod za dodatno napajanje (podporne
točke za zaporedno vezavo)
2AUX1 +
3LSN1 a1 - Vhod LSN
4LSN1 b1 +
5 SHIELD Izoliran kabel
6 SHIELD
7 AUX2 - Izhod za dodatno napajanje (podporne
točke za zaporedno vezavo)
8AUX2 +
9 LSN1 a2 - Izhod LSN
10 LSN1 b2 +
11 AC FAULT - Vhod signala za trajno prekinitev
napajanja
12 AC FAULT +
13 BATT FAULT - Vhod signala za okvaro akumulatorja
14 BATT FAULT +
Tehnične specifikacije
Modul za opozarjanje na napake FPP-5000-TI za FPP-5000
Vhodna napetost (min. - maks.) + 15 V (enosmerni tok) . . . + 33 V (enosmerni tok)
Maksimalna poraba toka 1,15 mA pri 24 V enosmernem toku (iz LSN)
Razred zaščite v skladu s
IP 20
standardom IEC 60529
Dovoljena delovna temperatura -5 °C . . . 50 °C (23 °F . . . 122 °F)
Dovoljena temperatura shranjevanja -20 °C . . . 60 °C (-4 °F . . . 140 °F)
Relativna vlaga Največ 95 %; brez kondenzacije
Nastavitev naslova Z osmimi stikali DIP
Material in barva ohišja Plastika ABS, (UL94 V-0), antracit (polsijajni),
RAL 7016
Dimenzije (ŠxVxD) Pribl. 127x96x60mm (pribl. 5,0x3,8x2,4palcev)
F.01U.081.396 | 3.0 | 2009.07 Bosch Sicherheitssysteme GmbH
1234
5678910
11
12 13 14

FPP-5000-TI sv 25
Funktionsbeskrivning
FPP-5000-TI är en förlängning för FPP-5000 nätmodul 24 V/6 A.
Det ger en överföring av nät- och batterifelets signal till brandlarmscentralen via Local
SecurityNetwork LSN. De två felmeddelandena tillhandahålls av motsvarande utgångar på
BCM-0000-B batterimodul. Modulen är direkt ansluten till LSN-databussen och får även ström
via LSN-databussledningen.
Anslutningar
Pos. Text Anslutning
1 AUX1 - Ingående reservström
2AUX1 +
3 LSN1 a1 - LSN Ingående
4LSN1 b1 +
5SHIELD Skärm
6 SHIELD
7 AUX2 - Utgående reservström
8AUX2 +
9 LSN1 a2 - LSN Utgående
10 LSN1 b2 +
11 AC FAULT - Ingång för nätspänningsfel
12 AC FAULT +
13 BATT FAULT - Ingång för batterifel
14 BATT FAULT +
Tekniska specifikationer
FPP-5000-TI nätmodul för FPP-5000
Spänning (min - max) +15 V DC. . . +33 V DC
Maximal strömförbrukning 1,15 mA vid 24 V DC (från LSN)
Skyddsklass enligt IEC 60529 IP 20
Drifttemperatur -5 °C . . . 50 °C .
Förvaringstemperatur -20 °C . . . 60 °C .
Relativ fuktighet Max. 95 % icke-kondenserande
Adressinställning Via åtta DIP-brytare
Kapslingsmaterial och -färg ABS-plast, (UL94 V-0), halvglättad antracit, RAL 7016
Mått (B x H x L) Ca 127 x 96 x 60 mm
Bosch Sicherheitssysteme GmbH F.01U.081.396 | 3.0 | 2009.07
1234
5678910
11
12 13 14

26 tr FPP-5000-TI
İşlevin Açıklaması
FPP-5000-TI, FPP-5000 Harici Güç Kaynağı Kiti 24 V/6 A ürününün bir uzantısıdır.
Yerel Güvenlik Ağı LSN üzerinden ana şebeke hatası sinyalinin ve pil hatası sinyalinin yangın
paneline hata mesajı şeklinde aktarılmasını sağlar. Bu iki hata mesajı, BCM-0000-B Akü
Denetleyici Modülündeki ilgili çıkışlarla sağlanır. Modül doğrudan LSN veri yoluna bağlanır ve
LSN veri yolu hattından güç beslemesi yapılır.
Terminal Ataması
Konu
Etiketleme Bağlantı
m.
1 AUX1 - Yardımcı gelen güç kaynağı (destek
noktaları ile devre arasında)
2AUX1 +
3 LSN1 a1 - LSN gelen
4LSN1 b1 +
5 SHIELD Kablo koruyucu
6 SHIELD
7 AUX2 - Yardımcı giden güç kaynağı (destek
noktaları ile devre arasında)
8AUX2 +
9 LSN1 a2 - LSN giden
10 LSN1 b2 +
11 AC FAULT - Ana şebeke hatası girişi
12 AC FAULT +
13 BATT FAULT - Akü hatası girişi
14 BATT FAULT +
Teknik Özellikler
FPP-5000 için FPP-5000-TI Sorun Bildirme Arayüzü
Giriş gerilimi (min - maks) +15 V DC. . . +33 V DC
Maksimum akım tüketimi 24 V DC'de 1,15 mA (LSN'den)
IEC 60529 uyarınca koruma sınıfı IP 20
İzin verilen çalışma sıc. -5 °C . . . 50 °C (23 °F . . . 122 °F)
İzin verilen saklama sıc. -20 °C. . . 60 °C (-4 °F . . . 140 °F)
Bağıl nem Maks. %95, yoğunlaşmasız
Adres ayarı Sekiz DIP anahtarı ile
Muhafaza malzemesi ve rengi ABS plastik, (UL94 V-0), yarı parlak antrasit, RAL 7016
Boyutlar (G x Y x U) Yaklaşık 127 x 96 x 60 mm (yaklaşık 5,0 x 3,8 x 2,4 inç)
F.01U.081.396 | 3.0 | 2009.07 Bosch Sicherheitssysteme GmbH
1234
5678910
11
12 13 14


Bosch Sicherheitssysteme GmbH
Robert-Koch-Straße 100
D-85521 Ottobrunn
Germany
Telefon 089 6290-0
Fax 089 6290-1020
www.boschsecurity.com
© Bosch Sicherheitssysteme GmbH, 2009

