Siemens WXLi 4240: инструкция
Характеристики, спецификации
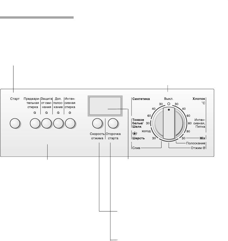
Инструкция к Встраивающей Стиральной Машиной Siemens WXLi 4240
Оглавление






°
°
°
°







i

i

i
i
°





i







