Karcher HD 830 BS: инструкция
Раздел: Авто, мото оборудование и транспорт
Тип: Автомойка
Инструкция к Автомойке Karcher HD 830 BS

HD 830 BS
Deutsch 3
English 12
Français 21
Italiano 31
Nederlands 41
Español 50
Português 60
Ελληνικά 70
Dansk 80
Norsk 89
Svenska 98
Suomi 107
Magyar 116
Čeština 125
Slovenščina 134
Polski 143
Româneşte 153
Türkçe 162
Русский 171
Slovenčina 181
Hrvatski 190
Srpski 199
Български 208
Register and win!
www.kaercher.com
59661580 03/13

2

Lesen Sie vor der ersten Benut-
Zu Ihrer Sicherheit
zung Ihres Gerätes diese Origi-
nalbetriebsanleitung, handeln Sie danach
Vor erster Inbetriebnahme Sicherheitshin-
und bewahren Sie diese für späteren Ge-
weise Nr. 5.951-949.0 unbedingt lesen!
brauch oder für Nachbesitzer auf.
Symbole in der Betriebsanleitung
Bei Transportschaden sofort Händler infor-
mieren.
Gefahr
Für eine unmittelbar drohende Gefahr, die
Inhaltsverzeichnis
zu schweren Körperverletzungen oder zum
Tod führt.
Übersicht . . . . . . . . . . . . . . DE . . .1
Zu Ihrer Sicherheit . . . . . . . DE . . .1
몇 Warnung
Umweltschutz. . . . . . . . . . . DE . . .2
Für eine möglicherweise gefährliche Situa-
Bestimmungsgemäße Verwen-
tion, die zu schweren Körperverletzungen
dung . . . . . . . . . . . . . . . . . . DE . . .3
oder zum Tod führen könnte.
Sicherheitseinrichtungen . . DE . . .3
Vorsicht
Inbetriebnahme . . . . . . . . . DE . . .3
Für eine möglicherweise gefährliche Situa-
Bedienung . . . . . . . . . . . . . DE . . .4
tion, die zu leichten Verletzungen oder zu
Transport . . . . . . . . . . . . . . DE . . .6
Sachschäden führen kann.
Lagerung . . . . . . . . . . . . . . DE . . .6
Symbole auf dem Gerät
Pflege und Wartung . . . . . . DE . . .6
Hochdruckstrahlen können bei
Störungen. . . . . . . . . . . . . . DE . . .7
unsachgemäßem Gebrauch
Ersatzteile . . . . . . . . . . . . . DE . . .8
gefährlich sein. Der Strahl darf
Garantie . . . . . . . . . . . . . . . DE . . .8
nicht auf Personen, Tiere, akti-
EG-Konformitätserklärung . DE . . .8
ve elektrische Ausrüstung oder
Technische Daten. . . . . . . . DE . . .9
auf das Gerät selbst gerichtet
werden.
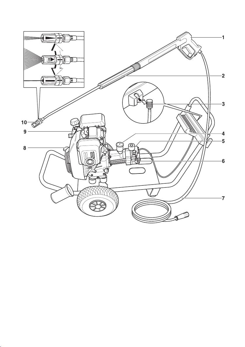
Übersicht
Vergiftungsgefahr! Abgase
1 Handspritzpistole
nicht einatmen.
2 Strahlrohr
3 Reinigungsmittel-Saugschlauch mit Filter
Verbrennungsgefahr! Warnung
4 Öleinfüllbehälter
vor heißen Baugruppen.
5 Wasseranschluss mit Sieb
6 Hochdruckanschluss
Gemäß gültiger Vorschriften
7 Hochdruckschlauch
darf das Gerät nie ohne System-
8 Handstartvorrichtung
trenner am Trinkwassernetz be-
9 Kraftstofftank
trieben werden. Es ist ein
10 Dreifachdüse
geeigneter Systemtrenner der
Farbkennzeichnung
Fa. Kärcher oder alternativ ein
Systemtrenner gemäß EN
– Bedienelemente für den Reinigungs-
12729 Typ BA zu verwenden.
prozess sind gelb.
– Bedienelemente für die Wartung und
den Service sind hellgrau.
– 1
3DE

Sicherheitshinweise Allgemein
Gefahr
– Jeweilige nationale Vorschriften des
Gesetzgebers für Flüssigkeitsstrahler
– Hochdruckreiniger nicht betreiben,
beachten.
wenn Kraftstoff verschüttet worden ist,
– Jeweilige nationale Vorschriften des
sondern das Gerät an einen anderen
Gesetzgebers zur Unfallverhütung be-
Ort bringen und jegliche Funkenbildung
achten. Flüssigkeitsstrahler müssen re-
vermeiden.
gelmäßig geprüft und das Ergebnis der
– Kraftstoff nicht in der Nähe von offenem
Prüfung schriftlich festgehalten werden.
Feuer oder Geräten wie Öfen, Heizkes-
sel, Wassererhitzer usw. aufbewahren,
Umweltschutz
verschütten oder verwenden, die eine
Zündflamme haben oder Funken erzeu-
Die Verpackungsmaterialien
gen können.
sind recyclebar. Bitte werfen Sie
– Leicht entzündbare Gegenstände und
die Verpackungen nicht in den
Materialien vom Schalldämpfer fernhal-
Hausmüll, sondern führen Sie
ten (mindestens 2 m).
diese einer Wiederverwertung
– Motor nicht ohne Schalldämpfer betrei-
zu.
ben und diesen regelmäßig kontrollie-
Altgeräte enthalten wertvolle re-
ren, reinigen und nötigenfalls erneuern.
cyclingfähige Materialien, die ei-
– Motor nicht in wald-, busch- oder gras-
ner Verwertung zugeführt
bestandenem Gelände einsetzen, ohne
werden sollten. Batterien, Öl
dass der Auspuff mit einem Funkenfän-
und ähnliche Stoffe dürfen nicht
ger ausgerüstet ist.
in die Umwelt gelangen. Bitte
– Außer bei Einstellarbeiten den Motor
entsorgen Sie Altgeräte deshalb
nicht mit abgenommenem Luftfilter oder
über geeignete Sammelsyste-
ohne Abdeckung über dem Ansaugstut-
me.
zen laufen lassen.
– Keine Verstellungen an Regelfedern,
Bitte Motorenöl, Heizöl, Diesel und Benzin
Reglergestängen oder anderen Teilen
nicht in die Umwelt gelangen lassen. Bitte
vornehmen, die eine Erhöhung der Mo-
Boden schützen und Altöl umweltgerecht
tordrehzahl bewirken können.
entsorgen.
– Verbrennungsgefahr! Heiße Schall-
Hinweise zu Inhaltsstoffen (REACH)
dämpfer, Zylinder oder Kühlrippen nicht
Aktuelle Informationen zu Inhaltsstoffen fin-
berühren.
den Sie unter:
– Hände und Füße nie in die Nähe be-
www.kaercher.de/REACH
wegter oder umlaufender Teile bringen.
– Vergiftungsgefahr! Gerät darf nicht in ge-
schlossenen Räumen betrieben werden.
4 DE
– 2

