Hach-Lange FP 360 sc Basic User Manual: instruction
Class: Equipment
Type:
Manual for Hach-Lange FP 360 sc Basic User Manual

DOC023.98.90162
FP 360 sc
01/2010, Edition 1B
en 53 Basic User Manual
de 72 Basis-Bedienungsanleitung
it 57 Manuale utente di base
fr 77 Manuel d'utilisation de base
es 61 Manual básico del usuario
pt 79 Manual do utilizador básico
cs 85 Základní uživatelská příručka
da 58 Grundlæggende brugervejledning
nl 56 Basisgebruikershandleiding
pl 60 Podstawowa instrukcja obsługi
sv 59 Grundläggande bruksanvisning
fi 63 Peruskäyttöohje
bg 89 Основно ръководство за потребителя
hu 86 Alap felhasználói kézikönyv
ro 87 Manual de bază al utilizatorului
ru 62 Основное руководство пользователя
tr 94 Temel Kullanıcı Kılavuzu
sk 88 Základný návod na použitie
sl 44 Osnovni uporabniški priročnik
hr 43 Osnovni korisnički priručnik
sr 47 Osnovni priručnik za korišćenje
el 48 Βασικό Εγχειρίδιο Χρήστη

English ...............................................................................................................................................................3
Deutsch ............................................................................................................................................................19
Italiano .............................................................................................................................................................35
Français ...........................................................................................................................................................51
Español ............................................................................................................................................................67
Português ........................................................................................................................................................83
Čeština .............................................................................................................................................................99
Dansk .............................................................................................................................................................115
Nederlands ....................................................................................................................................................131
Polski .............................................................................................................................................................147
Svenska .........................................................................................................................................................165
Suomi .............................................................................................................................................................181
Български .....................................................................................................................................................197
Magyar ...........................................................................................................................................................215
Română .........................................................................................................................................................231
Русский .........................................................................................................................................................247
Türkçe ............................................................................................................................................................263
Slovenský jazyk .............................................................................................................................................279
Slovenščina ...................................................................................................................................................295
Hrvatski ..........................................................................................................................................................311
Srpski .............................................................................................................................................................327
Ελληνικά ........................................................................................................................................................343

English
Specifications
Specifications are subject to change without notice.
Measurement
UV fluorescent measurement process for polycyclic aromatic hydrocarbons (PAH)
Measurement method
Excitation wavelength: 254 nm Emission (measurement) wavelength: 360 nm
0 to 50 ppb and 0 to 500 ppb in relation to PAH calibration standard, corresponding to
Low measurement range
0.1 to 1.5 ppm and 0.1 to 15 ppm of oil calibration standard
Measuring range
0 to 500 ppb and 0 to 5000 ppb in relation to PAH calibration standard, corresponding to
High measurement range
0.1 to 15 ppm and 0.1 to 150 ppm of oil calibration standard
Display units ppb, ppm, µg/L, mg/L
Reproducibility 2.5% of measurement value at a constant temperature
Measurement accuracy 5% of measurement value ±2% from measurement range limit at a constant temperature
Limit of detection 1.2 ppb (PAH)
Response time 10 s (T90)
Calibration Factory calibration with UV fluorescence calibration standard, custom adaptation possible
Sensor software
Software version From 1.14
Equipment properties
Measurement sensor Stainless steel version 2.8 kg, titanium version 1.8 kg
Weight
Flow cell Approximately 0.6 kg, including installation board approximately 2.0 kg
Measurement sensor Max. 30 bar
Pressure range
Flow cell Max. 1 bar
68 mm × 306 mm (2.68 in. × 12.05 in.) (without plugs or suspension pin)
Measurement sensor
68 mm × 399 mm (2.68 in. × 15.71 in.) (including suspension pin)
(Ø × length)
Dimensions
68 mm × 413 mm (2.68 in. × 16.26 in.) (with additional cleaning option)
98 mm × 98 mm × 150 mm (3.86 in. × 3.86 in. × 5.91 in.) (without fittings),
Flow cell (L × W × D)
installation board: 600 × 300 × 10 mm (23.62 in. × 11.81 in. × 0.39 in.)
English 3

Equipment properties (continued)
Housing: stainless steel 1.4571 or titanium
Optic bracket: POM
Housing bolts: stainless steel 1.4571
Measurement sensor
Measurement window: synthetic quartz glass (Suprasil)
Gaskets (housing): Viton
Gaskets (measurement window): NBR (Nitrile Butadiene Rubber)
Materials
Housing: POM
Installation board: PVC
Flow cell
Gaskets: NBR (Nitrile Butadiene Rubber)
Fittings: nickel-plated brass
Shackle Stainless steel 1.4301
Environment considerations
Measuring medium temperature 1 to 40 °C (34 to 104 °F)
–5 to +45 °C (23 to 113 °F)
Ambient temperature
Measurement sensor wetted by at least half from the measuring medium:
–25 to +55 °C (-13 to 131 °F)
Sensor distance - wall/ground Minimum 100 mm (3.94 in.) (recommended)
Miscellaneous
Cable length 1.5 or 10 m, extension cable up to total maximum length of 40 m
Sensor side 8-pin, type of protection IP68, PUR
Connection information
Controller side M12, type of protection IP67
Inspection interval Every 2 years; 1/year service agreement by request, with warranty extension up to 5 years
Maintenance requirements Clean the measurement window, if necessary. Intervals are dependent on the measuring medium.
Compliance CE
Warranty 2 years
English 4

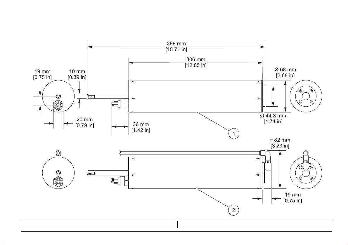
Dimensions
Figure 1 Sensor without and with cleaning unit
1 Sensor without cleaning unit 2 Sensor with cleaning unit
English 5

General information
Precautionary labels
Read all labels and tags attached to the instrument. Personal injury or
Safety information
damage to the instrument could occur if not observed. A symbol on the
instrument is referenced in the manual with a precautionary statement.
Please read this entire manual before unpacking, setting up or operating
this equipment. Pay attention to all danger and caution statements.
Failure to do so could result in serious injury to the operator or damage
This is the safety alert symbol. Obey all safety messages that follow
to the equipment.
this symbol to avoid potential injury. If on the instrument, refer to the
instruction manual for operation or safety information.
Make sure that the protection provided by this equipment is not
impaired, do not use or install this equipment in any manner other than
that specified in this manual.
This symbol indicates that a risk of electrical shock and/or
Use of hazard information
electrocution exists.
DANGER
Indicates a potentially or imminently hazardous situation which, if
This symbol shows that a UV lamp is used in the equipment.
not avoided, will result in death or serious injury.
Electrical equipment marked with this symbol may not be disposed of
WARNING
in European domestic or public disposal systems after 12 August
2005. In conformity with European local and national regulations
Indicates a potentially or imminently hazardous situation which, if
(EU Directive 2002/96/EC), European electrical equipment users
not avoided, could result in death or serious injury.
must now return old or end-of life equipment to the manufacturer for
disposal at no charge to the user.
Note: For return for recycling, please contact the equipment
CAUTION
producer or supplier for instructions on how to return end-of-
Indicates a potentially hazardous situation that may result in minor
life equipment, producer-supplied electrical accessories, and
or moderate injury.
all auxiliary items for proper disposal.
NOTICE
Indicates a situation which, if not avoided, may cause damage to
the instrument. Information that requires special emphasis.
Note: Information that supplements points in the main text.
English 6

Product overview
Product components
The sensor is available in a variety of types.
Refer to Figure 2 to make sure that all components have been received.
DANGER
If any of these items are missing or damaged, contact the manufacturer
This product is not suitable for use in potentially explosive
or a sales representative immediately.
atmospheres.
Figure 2 FP 360 sc sensor
WARNING
The UV rays from the flash bulb are harmful to eyes and skin.
Do not look directly through the measurement window during
operation under any circumstances. Remove the measurement
sensor from operation before carrying out any maintenance or
installation work.
The FP 360 sc sensor is a UV fluorimeter used to continuously measure
the concentration of PAH (polycyclic aromatic hydrocarbons) in water.
The measurement values can be converted to reflect the total oil content
for mineral oils using lab data.
The sensor may need to be installed with additional accessories
depending on its area of application.
Area of application Installation with Sensor variants
Open channels, shafts, tanks
Sensor with or without
Chain mount kit
(solid matter max. 200 mg/L)
cleaning unit
Measurement media without
Sensor without
solid matter with continuous,
Flow cell
cleaning unit
low sample throughput
Do not apply the sensor to any hard mechanical effects.
1 FP 360 sc measurement sensor 5 6 mm fitting for cleaning unit
(depending on model)
2 Basic user manual with CD 6 Safety sleeve
3 Measurement window 7 Connector cable
4 Sensor with cleaning unit
8 Shackle
(depending on model)
English 7

